Auto Electronics 101
  • Home
  • FORUM
  • Shopping Cart
  • Support

Login Form

  • Forgot your password?
  • Forgot your username?
  • Create an account

Main Menu

  • Automotive Repair Help
  • Electronics Repair Help
  • Locksmith Repair Help
  • Misc. Educational Material
  • Bench, Boot & In-Circuit Pinouts
  • Benchtop Power-up Pinouts
  • BIN File Decoding
  • Circuit Schematics
  • YouTube Public Playlists
  • Wiring Diagrams
    • Acura, Honda
    • Chrysler, Dodge, Jeep
    • Ford, Lincoln, Mercury
    • General Motors
    • Infiniti, Nissan, Subaru
    • Large Trucks
    • Mazda, Mazda USA
    • Mitsubishi

Web Shop

  • Electrical Components
  • J2534 Calibration Files
  • KESS Recovery Files
  • Memory Dumps
  • VMWare (Premade VMS)
  • PC Apps & Docs
  • Tools & Supplies

  1. You are here:  
  2. Wiring Diagrams
  3. Mazda, Mazda USA
  4. Mazda MPV 2000 wiring diagrams

Mazda MPV 2000 wiring diagrams

Parent Category: Wiring Diagrams
Category: Mazda, Mazda USA
  • wiring
  • schematics
  • mazda
  • mazda usa
  • MPV

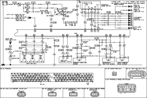
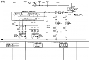
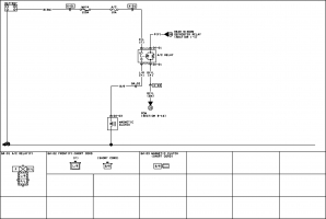
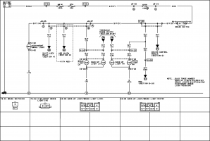
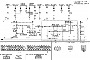
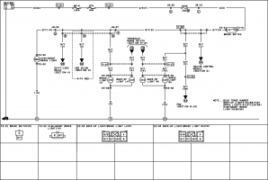
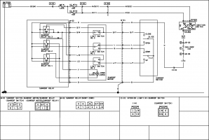
-electrical wiring schematic-
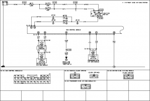
Airbag system 1
Airbag system 2
Airbag system 3
Antilock brakes 1
Audi system 2
Audio system 1
Back up and brake lights 1
Back up and brake lights 2
Back up and brake lights 3
Cargo-courtesy-interior-spot-vanity- illumination 1
Cargo-courtesy-interior-spot-vanity- illumination 2
Cargo-courtesy-interior-spot-vanity- illumination 3
Cargo-courtesy-interior-spot-vanity- illumination 4
Cargo-courtesy-interior-spot-vanity- illumination 5
Cargo-courtesy-interior-spot-vanity- illumination 6
Charging system 1
Charging system 2
Cigarette lighter-glove box light-rear window defroster 1
Cigarette lighter-glove box light-rear window defroster 2
Cigarette lighter-glove box light-rear window defroster 3
Cigarette lighter-glove box light-rear window defroster 4
Common connectors 1
Common connectors 2
Common connectors 3
Common connectors 4
Condenser fan system 1
Cooling fan system 1
Cooling fan system 2
Cooling fan system 3
Cruise control system 1
Datalink connectors
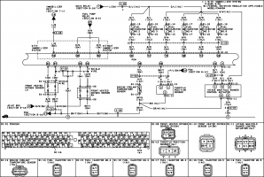
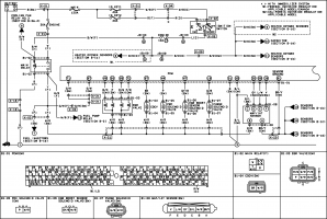
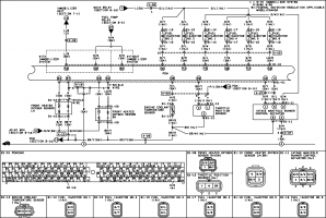
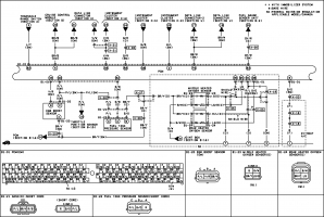
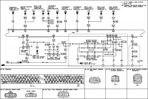
Engine control system 1
Engine control system 10
Engine control system 11
Engine control system 12
Engine control system 13
Engine control system 14
Engine control system 15
Engine control system 2
Engine control system 3
Engine control system 4
Engine control system 5
Engine control system 6
Engine control system 7
Engine control system 8
Engine control system 9
Front fog lights - license plate - parking lights - tail lights 1
Front fog lights - license plate - parking lights - tail lights 2
Front fog lights - license plate - parking lights - tail lights 3
Front fog lights - license plate - parking lights - tail lights 4
Front fog lights - license plate - parking lights - tail lights 5
Fuel control system 1
Ground points 1
Ground points 2
Headlights 1
Headlights 2
Headlights 3
Heated outside mirrors - power mirrors 1
Heated outside mirrors - power mirrors 2
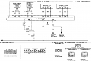
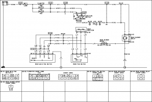
Heater and air conditioner 1
Heater and air conditioner 2
Hons 1
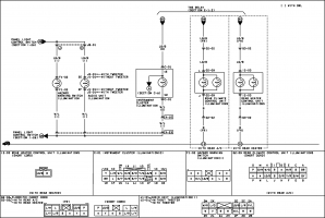
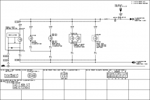
Illumination lights 1
Illumination lights 2
Immobilizer system 1
Immobilizer system location
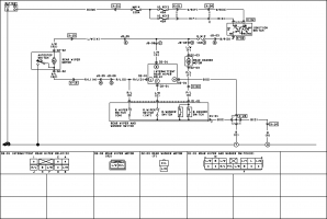
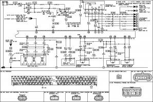
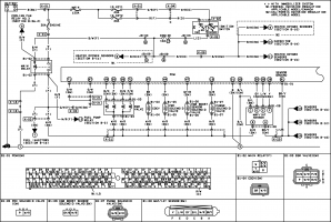
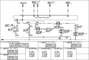
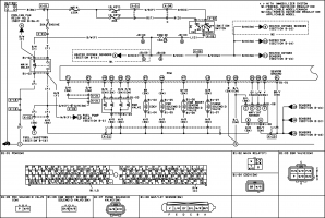
Instrument cluster 1
Instrument cluster 2
Instrument cluster 3
Instrument cluster 4
Joint box 1
Joint box 2
Key interlock - shift lock 1
Key interlock - shift lock 2
Keyless entry system 1
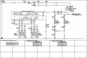
Power door locks 1
Power door locks 2
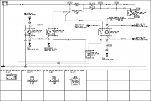
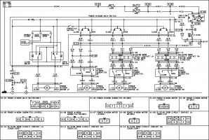
Power windows 1
Rear air conditioner 1
Rear heating 1
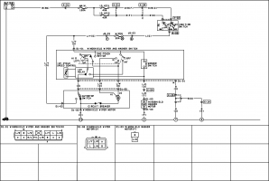
Rear wiper and washer 1
Rear wiper and washer 2
Sliding sunroof 1
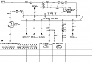
Theft deterrent system 1
Theft deterrent system 2
Turn and hazard warning lights 1
Turn and hazard warning lights 2
Turn and hazard warning lights 3
Windshield wiper and washer 1