Auto Electronics 101
  • Home
  • FORUM
  • Shopping Cart
  • Support

Login Form

  • Forgot your password?
  • Forgot your username?
  • Create an account

Main Menu

  • Automotive Repair Help
  • Electronics Repair Help
  • Locksmith Repair Help
  • Misc. Educational Material
  • Bench, Boot & In-Circuit Pinouts
  • Benchtop Power-up Pinouts
  • BIN File Decoding
  • Circuit Schematics
  • YouTube Public Playlists
  • Wiring Diagrams
    • Acura, Honda
    • Chrysler, Dodge, Jeep
    • Ford, Lincoln, Mercury
    • General Motors
    • Infiniti, Nissan, Subaru
    • Large Trucks
    • Mazda, Mazda USA
    • Mitsubishi

Web Shop

  • Electrical Components
  • J2534 Calibration Files
  • KESS Recovery Files
  • Memory Dumps
  • VMWare (Premade VMS)
  • PC Apps & Docs
  • Tools & Supplies

  1. You are here:  
  2. Wiring Diagrams
  3. General Motors
  4. Chevrolet Equinox 2008 wiring diagrams

Chevrolet Equinox 2008 wiring diagrams

Parent Category: Wiring Diagrams
Category: General Motors
  • wiring
  • schematics
  • diagrams
  • chevy
  • gm
  • general motors
  • chevrolet
  • equinox
  • 2008

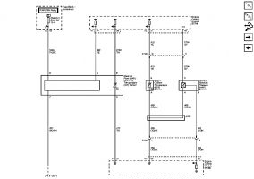
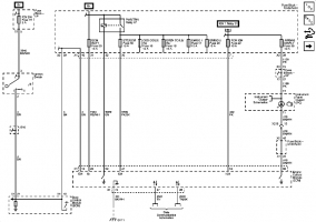
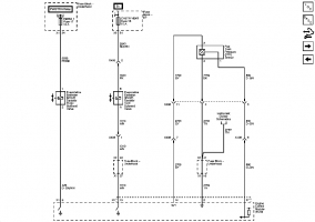
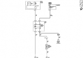
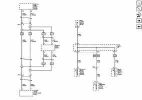
5-Volt Reference
5-Volt and Low Reference (LY7)
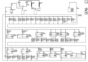
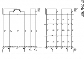
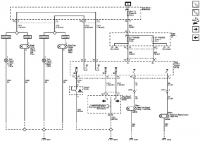
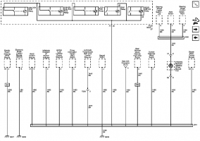
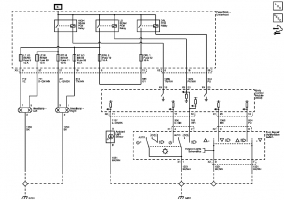
ABS, ABS MTR, AUX PWR, AWD, ECM BATT, REAR HVAC, and TCM BATT Fuses
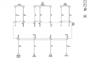
AMP, BCM, CHMSL-DM-LAMP, HVAC-RFA and RDO Fuse
AOS MDL, BATT 2, HTD-SEATS, L-GATE, LT TRN-SIG, PWR MIRS, RT TRN-SIG and AIRBAGS Fuses and PWR SEATS Circuit Breaker
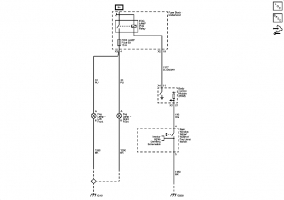
B+ BUS– 1 of 2
B+ BUS– 2 of 2
BATT 1, CNSTR VENT, CLSTR, HVAC BLWR, INFOTMNT, INT LAMPS, ONSTAR, REAR DEFOG and RVC Fuses
BATT 3, DR-LCK, REAR-WPR, RSE and S-ROOF Fuses and PWR WNDW Circuit Breaker
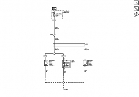
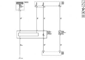
Backup Lamps
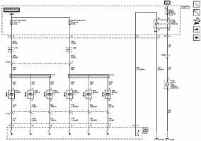
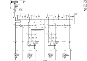
Bank 1 Ignition Coils (LY7)
Bank 2 Ignition Coils (LY7)
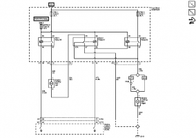
CAN Bus and Enable Serial Data
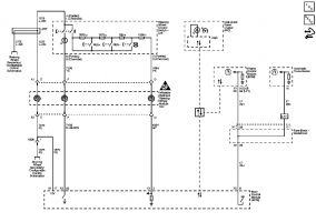
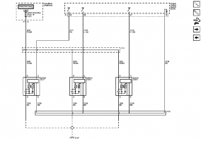
CMP Sensors and Solenoids, Knock Sensors, and Crankshaft Position Sensor (LY7)
Charging
Cigar Lighter-Power Outlet Schematics
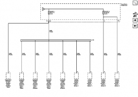
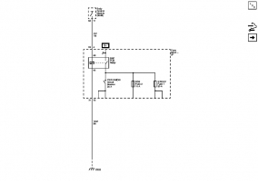
Controlled-Monitored Subsystem References
Controlled-Monitored Systems
Cruise Control Schematics
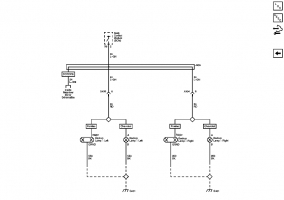
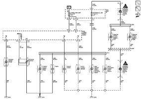
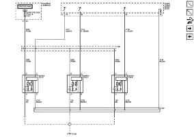
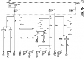
DRL 1, DRL 2, FOG LAMP, LT HI BEAM, LT LO BEAM, RT HI BEAM, and RT LO BEAM Fuses
Defogger Schematics
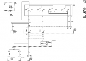
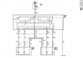
Door Latches and Switches
Door Lock Motors and Relays
EGR and EVAP Controls
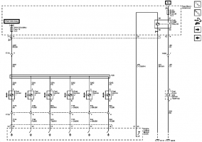
EMISO1 and EMISO2 Fuses (3.6L)
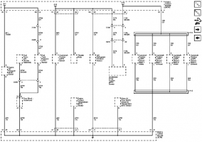
EMISO1, EMISO2, ETC-ECM, EVEN COILS-INJ and ODD COILS-INJ Fuses-INJ (3.4L)
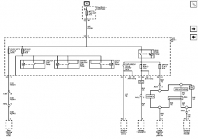
Engine Data Sensors– Electronic Throttle Controls (LY7)
Engine Data Sensors– MAF and Engine Coolant Temperature Sensor (LY7)
Engine Data Sensors– Oxygen Sensors
Engine HeatingCooling Schematics
Evaporative Emissions and Fuel Tank Pressure Sensor (LY7)
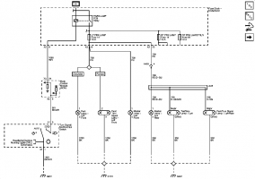
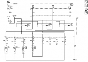
Exterior Lights, Radio, ABS, Automatic Transmission and Data Communications
Fog Lights Schematics
Front Wiper-Washer
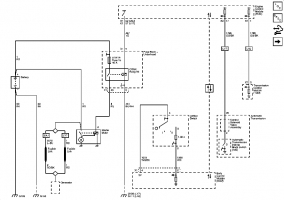
Fuel Injectors and Fuel Pump
Fuel Pump and Injectors (LY7)
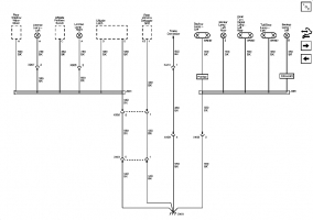
G101
G103, G105, G107, G108 and G109 (3.6L)
G103, G105, G111 (3.4L)
G201
G203, G205, G207
G301
G311
G401
G403
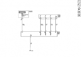
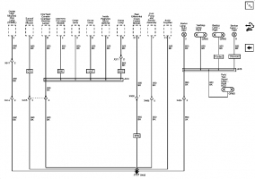
HORN, LT TRLR STOP-TRN, RT TRLR STOP-TRN and STOP LAMP Fuses
Headlights-Daytime Running Lights (DRL) Schematics
High Speed GMLAN
Horn Schematics
IGN 1 Relay Bus– MAF, PCM IGN, AIRBAG DISPLY and TRANS Fuses
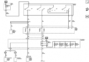
IGN SW, Fuse and Ignition Switch
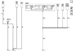
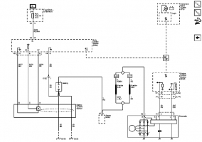
Ignition Control Module
Ignition Lock Schematics
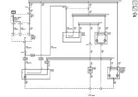
Inside Rearview Mirror Schematics
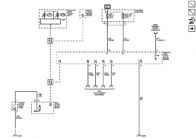
Interior Lights Dimming Schematics
Interior Lights Schematics
Interior Lights, Door Locks, Exterior Lights, Release Systems, Movable Windows, Remote Functions and Horns
Knock, Camshaft, and Crankshaft Sensors
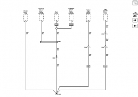
LT PRK LAMP, RT PRK LAMP and PRK LAMP-TRLR Fuses
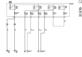
Left Park Lamps
License Lamps, Right Park Lamps
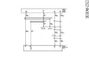
Low Reference
Low Speed GMLAN
MAF, MAP, ECT
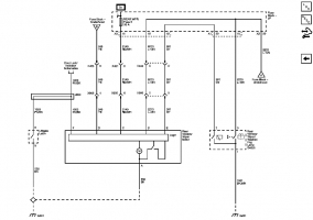
Module Power, Ground, and MIL
Module, Power, Ground, MIL, and Serial Data (LY7)
Moveable Window Schematics
Outside Rearview Mirror Schematics
Oxygen Sensors
PWR-TRN RELAY, ETC-ECM, EVEN COILS-INJ and ODD COILS-INJ Fuses-INJ (3.6L)
Power Moding 1 of 2
Power Moding 2 of 2
Power and Ground, Starting and Charging
Rear Wiper-Washer
Release Systems Schematics
Serial Data, Traction Switch, and Instrument Panel
Shift Lock, Headlights, Cruise, Wipers, I-P and Audible Warnings
Starting
Stop Lamps
TAC, Accelerator Pedal Sensor
Trailer Tow Connector
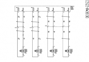
Turn Signal Lamps
Wheel Speed Sensors
Yaw-Lat Sensor (3.4L)
Yaw-Lat and Steering Angle Sensors (3.6L)