Auto Electronics 101
  • Home
  • FORUM
  • Shopping Cart
  • Support

Login Form

  • Forgot your password?
  • Forgot your username?
  • Create an account

Main Menu

  • Automotive Repair Help
  • Electronics Repair Help
  • Locksmith Repair Help
  • Misc. Educational Material
  • Bench, Boot & In-Circuit Pinouts
  • Benchtop Power-up Pinouts
  • BIN File Decoding
  • Circuit Schematics
  • YouTube Public Playlists
  • Wiring Diagrams
    • Acura, Honda
    • Chrysler, Dodge, Jeep
    • Ford, Lincoln, Mercury
    • General Motors
    • Infiniti, Nissan, Subaru
    • Large Trucks
    • Mazda, Mazda USA
    • Mitsubishi

Web Shop

  • Electrical Components
  • J2534 Calibration Files
  • KESS Recovery Files
  • Memory Dumps
  • VMWare (Premade VMS)
  • PC Apps & Docs
  • Tools & Supplies

  1. You are here:  
  2. Wiring Diagrams
  3. Chrysler, Dodge, Jeep
  4. Dodge Ram 1999 wiring diagrams

Dodge Ram 1999 wiring diagrams

Parent Category: Wiring Diagrams
Category: Chrysler, Dodge, Jeep
  • wiring
  • diagrams
  • dodge
  • ram

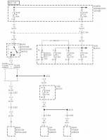
AIR CONDITIONING-HEATER 1
AIR CONDITIONING-HEATER 2
AIR CONDITIONING-HEATER 3
AIR CONDITIONING-HEATER 4
ALL WHEEL ANTI-LOCK BRAKES 1
ALL WHEEL ANTI-LOCK BRAKES 2
ALL WHEEL ANTI-LOCK BRAKES 3
AUDIO SYSTEM 1
AUDIO SYSTEM 2
AUDIO SYSTEM 3
AUDIO SYSTEM 4 STANDARD
AUDIO SYSTEM 5 STANDARD
AUDIO SYSTEM 6 PREMIUM
AUDIO SYSTEM 7 PREMIUM
AUDIO SYSTEM 8 PREMIUM
CENTRAL TIMER MODULE 1
CENTRAL TIMER MODULE 2
CENTRAL TIMER MODULE 3
CENTRAL TIMER MODULE 4
CENTRAL TIMER MODULE 5
CENTRAL TIMER MODULE 6 IEM
CENTRAL TIMER MODULE 7 IEM
CENTRAL TIMER MODULE 8 IEM
CHARGING SYSTEM 1 GAS
CHARGING SYSTEM 2 DIESEL
FRONT LIGHTING 1
FRONT LIGHTING 10 DRL
FRONT LIGHTING 11 DRL
FRONT LIGHTING 12
FRONT LIGHTING 2
FRONT LIGHTING 3
FRONT LIGHTING 4 QUAD HEADLAMPS
FRONT LIGHTING 5
FRONT LIGHTING 6
FRONT LIGHTING 7
FRONT LIGHTING 8 FOG LAMPS (EXCEPT DRL)
FRONT LIGHTING 9 FOG LAMPS (DRL)
FUEL,IGNITION SYSTEM 1
FUEL,IGNITION SYSTEM 10 GAS
FUEL,IGNITION SYSTEM 11 GAS
FUEL,IGNITION SYSTEM 12 GAS
FUEL,IGNITION SYSTEM 13 GAS
FUEL,IGNITION SYSTEM 14 GAS
FUEL,IGNITION SYSTEM 15 3.9L,5.2L
FUEL,IGNITION SYSTEM 16 5.9L
FUEL,IGNITION SYSTEM 17 3.9L,5.2L,5.9L
FUEL,IGNITION SYSTEM 18 3.9L,5.2L,5.9L
FUEL,IGNITION SYSTEM 19 3.9L,5.2L,5.9L
FUEL,IGNITION SYSTEM 2
FUEL,IGNITION SYSTEM 20 5.9L MD,8.0L CALIFORNIA
FUEL,IGNITION SYSTEM 21 8.0L
FUEL,IGNITION SYSTEM 22 8.0L
FUEL,IGNITION SYSTEM 23 8.0L
FUEL,IGNITION SYSTEM 24 8.0L
FUEL,IGNITION SYSTEM 25 DIESEL
FUEL,IGNITION SYSTEM 26 DIESEL
FUEL,IGNITION SYSTEM 27 DIESEL
FUEL,IGNITION SYSTEM 28 DIESEL
FUEL,IGNITION SYSTEM 29 DIESEL
FUEL,IGNITION SYSTEM 3
FUEL,IGNITION SYSTEM 30 DIESEL
FUEL,IGNITION SYSTEM 31 DIESEL
FUEL,IGNITION SYSTEM 32 DIESEL
FUEL,IGNITION SYSTEM 33 DIESEL
FUEL,IGNITION SYSTEM 34 DIESEL
FUEL,IGNITION SYSTEM 35 DIESEL
FUEL,IGNITION SYSTEM 36 DIESEL
FUEL,IGNITION SYSTEM 37 DIESEL
FUEL,IGNITION SYSTEM 38 DIESEL
FUEL,IGNITION SYSTEM 4
FUEL,IGNITION SYSTEM 5
FUEL,IGNITION SYSTEM 6
FUEL,IGNITION SYSTEM 7
FUEL,IGNITION SYSTEM 8 GAS
FUEL,IGNITION SYSTEM 9 GAS
GROUND DISTRIBUTION 1
GROUND DISTRIBUTION 10
GROUND DISTRIBUTION 11
GROUND DISTRIBUTION 12
GROUND DISTRIBUTION 13
GROUND DISTRIBUTION 14
GROUND DISTRIBUTION 15
GROUND DISTRIBUTION 16
GROUND DISTRIBUTION 17
GROUND DISTRIBUTION 2
GROUND DISTRIBUTION 3
GROUND DISTRIBUTION 4
GROUND DISTRIBUTION 5
GROUND DISTRIBUTION 6
GROUND DISTRIBUTION 7 GAS
GROUND DISTRIBUTION 8 DIESEL
GROUND DISTRIBUTION 9 DIESEL
HORN,CIGAR LIGHTER,POWER OUTLET 1
HORN,CIGAR LIGHTER,POWER OUTLET 2
INSTRUMENT CLUSTER 1
INSTRUMENT CLUSTER 2
INSTRUMENT CLUSTER 3
INSTRUMENT CLUSTER 4
INSTRUMENT CLUSTER 5
INTERIOR LIGHTING 1
INTERIOR LIGHTING 2
INTERIOR LIGHTING 3
INTERIOR LIGHTING 4
INTERIOR LIGHTING 5
JUNCTION BLOCK 10
JUNCTION BLOCK 11
JUNCTION BLOCK 12
JUNCTION BLOCK 13
JUNCTION BLOCK 14
JUNCTION BLOCK 15
JUNCTION BLOCK 3
JUNCTION BLOCK 4
JUNCTION BLOCK 5
JUNCTION BLOCK 6
JUNCTION BLOCK 7
JUNCTION BLOCK 8
JUNCTION BLOCK 9
OVERHEAD CONSOLE 1
OVERHEAD CONSOLE 2
OVERHEAD CONSOLE 3
OVERHEAD CONSOLE 4
OVERHEAD CONSOLE 5
POWER DISTRIBUTION 10 DIESEL
POWER DISTRIBUTION 11
POWER DISTRIBUTION 12 GAS
POWER DISTRIBUTION 13 3.9L,5.2L,5.9L
POWER DISTRIBUTION 14 8.0L
POWER DISTRIBUTION 15 GAS
POWER DISTRIBUTION 16 DIESEL
POWER DISTRIBUTION 17
POWER DISTRIBUTION 18
POWER DISTRIBUTION 19
POWER DISTRIBUTION 20
POWER DISTRIBUTION 21
POWER DISTRIBUTION 22
POWER DISTRIBUTION 23
POWER DISTRIBUTION 6
POWER DISTRIBUTION 7
POWER DISTRIBUTION 8
POWER DISTRIBUTION 9 GAS
POWER DISTRIBUTION CENTER
POWER DOOR LOCKS 1 IEM
POWER DOOR LOCKS 2 CTM
POWER SEAT 1 STANDARD CAB
POWER SEAT 2 CLUB CAB
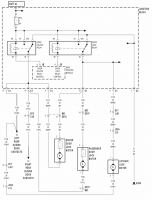
POWER WINDOWS
REAR LIGHTING 1
REAR LIGHTING 2
REAR LIGHTING 3
REAR WHEEL ANTI-LOCK BRAKES 1
REAR WHEEL ANTI-LOCK BRAKES 2
RESTRAINT SYSTEM 1
RESTRAINT SYSTEM 2
RESTRAINT SYSTEM 3 CTM
SPLICE INFORMATION 1 GAS
SPLICE INFORMATION 2
SPLICE INFORMATION 3 GAS
SPLICE INFORMATION 4 GAS
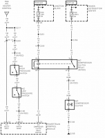
STARTING SYSTEM 1
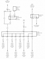
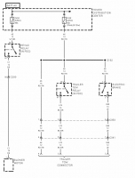
TRAILER TOW 1
TRAILER TOW 2
TRANSMISSION CONTROL SYSTEM 1
TRANSMISSION CONTROL SYSTEM 2
TRANSMISSION CONTROL SYSTEM 3
TRANSMISSION CONTROL SYSTEM 4
TURN SIGNALS 1
TURN SIGNALS 2
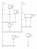
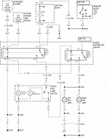
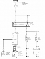
VEHICLE SPEED CONTROL 1
VEHICLE SPEED CONTROL 2
VEHICLE THEFT SECURITY SYSTEM 1
VEHICLE THEFT SECURITY SYSTEM 2